Онлайн магазин за крепежни елементи на изгодни цени
БЕЗПЛАТНА ДОСТАВКА до офис на Спиди за поръчки над 80лв.
Вход / Регистрация
КРЕПЕЖ ГРУП
КРЕПЕЖНИ ЕЛЕМЕНТИ
Търсене
Телефон за поръчки и запитвания
0876 070 888
Търсене
0
Любими
продукти
0
Вашата
количка
Меню
Анкери - дюбели
Болтове
Винтове
Гайки
Нитове
Разни
Текелаж
Шайби
Шпилки
Товарозахватни
Съвместими продукти
{{categoryName}}
{{p.title_bg}}
0.00лв
Вашата количка
Продукт
количество
цена
Зареждам съдържанието на количката. Моля изчакайте!
Вашата количка е празна
Още размери
Натисни бутона, за да видиш още размери или специални предложения ръчно избрани за всеки продукт.
Разбрах
{{item.name}}
пакета
Цена за пакет:
0.00лв
0.00лв
Начало
Продукти
Разни
Скоби и жабки за скеле
DIN 3017 Скоба за водни съединения A4 W4
DIN 3017 Скоба за водни съединения A4 W4
Преместихме филтрите
Натисни бутона, за да отвориш и/или затвориш филтрите.
Разбрах
Филтри
Изчисти филтрите
Изчисти филтрите
Изчисти филтрите
Затвори филтрите
Арт.№: 3017812A4
DIN 3017 Скоба неръждаема A4 W4 Ø 8 - 12 mm
Цена за пакет 1бр.
0.51лв. / 0.2608€
/бр
Купи сега
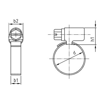
Диапазон на затягане (d)
Ø 8 - 12 mm
Размер b1 (b1)
9
Размер b2 (b2)
14
Размер h1 (h1)
14
1
100%
Клиентска
удовлетвореност
Безплатна доставка
над 80лв до офис
на Спиди
Компетентни
консултации
Високо качество
продукти
Моят профил
Вход / Регистрация
Търсене
Начало
Анкери - дюбели
Болтове
Винтове
Гайки
Нитове
Разни
Текелаж
Шайби
Шпилки
Товарозахватни